实验室简介
结构实验室是sm调教
重要的专业课教学实验室,隶属于sm调教
土木工程实验教学示范中心,由sm调教
建筑工程与环境学院负责运行,承担着土木工程、工程管理等专业的结构工程实验课及部分材料试验课教学任务,同时也为科学研究、工程开发提供咨询和服务,并承担对外检测服务。
结构实验室建造于1990年,建筑面积810M2,仪器设备将近800套(件),可承担建筑结构、桥梁结构及其他结构的动、静态实验测试。实验室仪器设备先进,实验项目齐全,可开设满足本科生及结构工程研究生实验教学大纲要求的全部试验课程,并可开设综合型和设计型试验。本实验室工作人员热忱欢迎校内外同学及有关人士来我室进行科学技术研究和工程实践。
实验室部分教学项目
一、结构实验:
试验一:机测仪表的构造和使用
试验二(a):电阻应变片粘贴技术及静态电阻应变仪的操作试验
试验二(b):电阻应变片灵敏系数的测定
试验三:悬臂梁动力特性的测定试验
试验四:4.2M钢桁架结构试验
二、材料力学试验
试验一:实验设备的性能及应用
试验二:低碳钢拉伸试验
试验三:扭转试验
试验四:弯曲正应力试验
试验五:脆性材料压缩破坏试验
试验六:材料弹性模量实验
试验七:组合变形实验
试验八:疲劳试验
实验室规章制度
实验员职责
1、担任实验课指导教师,辅导学生实验,批改学生实验报告,评定学生实验课成绩。
2、做好实验课的准备工作,包括实验仪器、设备、试样,实验指导书,实验报告单等。
3、独立或与其他实验教学人员一起试做实验,参加实验指导书的编写工作,与主讲教师共同制定实验教学计划。
4、了解与实验课有关的课程的教学情况。
5、参与学生的课程设计、毕业设计、毕业论文的等与实验有关的环节和教学工作。
6、负责做好本实验室的建设和安全工作,保持本室清洁卫生。
7、参加本学院组织的科研项目和对外技术服务。
8、填写实验卡片,做好实验项目管理活动和大型精密仪器技术指导及登记工作。
9、负责本室设备的申报,订购、安装、调试及维护工作,做好仪器设备维修记录。
10 、实验员工作向各室负责人负责。
其它日常工作。
实验试讲试做制度
为保证实验教学质量,根据《学院实验室管理办法第八项第二款——实验教师和实验技术人员职责》规定,凡属下列情况之一者,要求实验教师及实验技术人员进行试讲试做:
首次开出的实验项目。
新开设的实验项目。
实验内容、步骤及设备有变动的实验项目。
新调入的教师及实验技术人员。
非新调入,但属首次指导某一实验的教师和实验技术人员。
试讲试做由中心实验室及分室主任组织,课程主讲教师和相关实验指导教师参加。试讲试做的教师和实验技术人员事前应充分准备,事后应填写《试讲试做实验纪录单》。《试讲试做实验纪录单》经实验室主任审阅并签字后交中心实验室存档。
实验室规则
一、实验室是教学科研的重要基地,必须加强科学管理,建立和健全各项规章制度。各实验室均应指定专人负责安全工作,在其所属的范围内加强四防(防火、防盗、防事故、防水),并经常做好以下工作:
1、每天下班前负责检查、督促、关锁门窗、关闭水道及电灯、切断电源,清除室内外木屑、废纸等易燃物品等。剧毒、易燃、易爆药品或雷管、炸药的使用与储存严格按制度执行。
2、提出和改进安全措施,切实保管好防火等安全器具。门上的钥匙由专人保管,其他人员未经实验室负责人同意,不准自行配置钥匙。
二、使用仪器设备,要严格遵守操作规程,特别是五万元以上的精密、贵重、稀缺仪器设备,必须指定‘专人负责保管和使用,不能随便拆卸,使用后必须及时进行记录。
三、经批准的校外单位人员来sm调教
实验室进行加工、协作、调试,实验等工作的,必须有本实验室人员或经办人员陪同,不得让外单位人员自行出入。
四、如有盗窃和其他意外事故发生,各部门不得隐瞒,应及时报告保卫部门及主管部门,并保护好现场。
五、实验室、仓库及办公室不得留客住宿。家属工、临时工、费用工,在实验室劳动,现场必须有实验室工作人员。
六、实验室应保持文明,整洁。仪器设备摆放要做到整齐,合理。仪器使用完毕后放入仪器柜,或加盖仪器罩,要经常做好清洁卫生工作,建立必要的卫生值班制度。
实验室消耗材料管理制度
一、消耗材料的用途
消耗材料的用途主要是指维持日常教学需要的器材。以及科研用途的消耗材料。领用根据《sm调教
材料、低值品、易耗品管理法》有关规定执行。
二、消耗材料经费分配和使用
1、执行《sm调教
实验教学经费管理办法》第二项之规定。
2、学院根据学校下达的年度经费指标,切出一块,作为全学院消耗材料经费。并根据各实验室所承担的实验教学工作量,分配年度经费使用指标,学院留有一定的机动费。
3、各实验室根据当年的教学需要及用途上报易耗器材经费预算,经费由学院中心实验室主任统一管理使用,要保证教学实验需要,不准随意挪用。
三。器材领用
1、磁盘、打印纸及两用物品(如电池、灯泡等)的领用要严格控制。此类器材,由学院设备管理员统一领取。
2、学院中心实验室由设备管理员向设备处仓库领器材并由其负责领发,建立领用登记。
3、按学校规定,购买器材需提前一个月申报计划,填写申报单。由设备处组织购买,特殊器材需自行购买必须经中心实验室同意。
实验室主任岗位职责
实验室主任受学院主任委托负责全院的实验教学、实验室建设规划的制订和实施等工作。主要完成下列岗位职责:
1、全面负责学院的日常实验教学管理,组织各实验室制订或修改实验教学计划、实验教学大纲,编写实验指导书。
2、根据实验教学要求,制订各实验室的建设规划,并有计划组织实施,以保证教学实验顺利开出。
3、组织各实验室开展教学观摩和交流,新实验或高水平实验的开发织实验室工作人员参与科学研究活动。
4、搞好实验室的科研管理工作,贯彻、实施有关规章制度。组。
5、领导本室各类人员的工作,制定岗位责任制,负责对本室专职实验工作人员的培训及考核工作。
6、负责本室精神文明建设,抓好工作人员和学生思想政治教育。
7、定期检查、总结实验室工作,开展评比活动等。
实验室仪器设备借用制度
1、在仪器设备实验室归口管理的基础上,为了提高设备的利用率,提倡院内各实验室之间仪器设备流通。各实验室之间仪器设备借用需经仪器设备保管人同意后,办理借用登记手续,才可借用。
2、校内各部门借用学院仪器设备,须经学院中心实验室主任同意,办理借用登记手续,才可借用。
3、仪器设备原则上不向校外出借,任何人员无权将仪器设备借出或私自携带到校外使用,若因科研或开发需要将仪器借到校外使用,须经学院主管领导同意,办理借用登记手续,并要求按时归还,并支付相应的租金。
实验室岗位防火责任制
1、实验室内严禁烟火,不在实验室内吸烟、不使用明火,同时负责督促他人严格执行。
2、不任意拉接电线和电气设备,电气设备不得超负荷运转,发现异常情况应及时上报中心实验室。由中心实验室联系专业人员处理。
3、室内仪器设备摆放整齐,留出疏散通道。
4、室外走廊、楼梯上不准堆放杂物,保持紧急疏散通道的畅通。
5、实验室内不得私自存放任何易燃易爆危险品。
6、下班前应对实验室进行安全检查,切断电源。
7、学会使用灭火器等消防器材,懂得扑灭初起火灾。
8、一旦发生火灾,首先疏散学生,原则上不得安排学生参与救火工作。
实验室违纪、违规学生处理条例
为确保实验室的正常教学秩序和实验教学设备完好,对扰乱教学秩序和故意破坏教学设备的行为处理有据,特制定本条例如下:
l、迟到20分钟者不准进入实验室,无特殊情况未经教师批准早退者按旷课处理。
2、不按操作规范操作而导致仪器设备损坏者,按损坏部件的原件赔偿。
3、未经实验室管理人员或教师的同意私自拆卸仪器设备者,按损坏和短缺部件原价赔偿并给予警告以上处分。
4、意损坏实验设备者及偷盗设备或配件,一经发现处以原设备价格2倍以上的赔偿,并予以记过以上的处分。
实验员岗位职责
一、根据教学和科研任务制订具体计划,并积极努力完成,做好实验前的资料、器材,实验方案的准备工作。积极开发新实验。新上岗的实验指导教师必须通过试讲,新开设的实验必须通过试做;编写实验指导书和批改实验报告,保证实验教学质量。
二、指导学生实验,包括辅导答题,批改实验报告及评定实验成绩,定期对实验效果进行评价,提出改进意见。
三、切实做好实验仪器设备的日常维护保养工作,熟悉实验仪器设备的使用,并掌握一定的维修技能,努力保持仪器设备的良好状态。
四、严格执行实验室的有关规章制度,做好仪器设备、工具材料的技术管理工作和财产保管工作,做到实验室各类财产帐物相符,做好实验室的安全,清洁卫生工作。
实验室工作纪律条例
为了使实验室工作常规得到有效的落实,确保教学科研工作顺利进行,特制定本纪律条例。
一、凡上课迟到、上课不考勤、提早下课、作业批改敷衍、实验指导马虎、不填写值班日志、不整理实验室内务、设备管理较乱等一般未执行《实验室工作常规》者,予以批评教育。
二、凡开学末按时报到、未作实验准备、上课迟到及提前下课十分钟以上、未按规定定期检测维护实验室设备、并设备完好率未达90%、未参加全院大会与学科组教研活动等视为违纪,予以全院通报批评,每次扣发3—5个课时津贴。
三、旷课、旷监考、私自调课、因管理不善造成设备损坏或丢失、因主观原因造成火灾或失窃、考试马虎打人情况等视为教学事故,予以全院通报批评,每次扣发5—10个课时津贴,并记入考评档案。 情节严重者上报院校处理。
实验室安全制度
1、学院中心实验室主任为中心实验室安全责任人,中心实验室消防安全小组协助中心实验室主任工作。
2、实验室工作人员是所在实验室安全责任人。其工作接受中心实验室主任及中心实验室消防安全小组的督促与指导。
3、学院中心实验室主任负责中心实验室全部房间钥匙的管理,各实验室门钥匙由实验室人员专职保管,其他人员一律不准私自配置,因工作需要使用实验室钥匙,应向保管人借用,并按时归还。
4、各实验室切实做好防盗、防火、防事故及防水等四防工作。每天下班前,负责关锁门窗,关闭水道、电器和切断电源。清除室内木屑、废纸等易燃品。
5、学生或其他人员在实验室工作,必须有实验室人员在场。如因毕业设计或课程设计,晚上要利用实验室工作,应当安排实验室人员轮流值班,未经中心实验室主任批准不得将钥匙交给学生使用。
6、如有校外人员来实验室工作或参观,实验室人员应通知中心实验室,并陪同至外来人员离开为止。
7、不得私自在实验室留宿非实验室人员, 自己因工作原因需在实验室留宿的,也应提前上报中心实验室,讲明留宿原因及时间。
8、中心实验室安全责任人及中心实验室消防安全小组应经常对院中心实验室安全工作进行检查,检查方式采取定期检查与不定期抽查相结合。对发现的问题应提出整改意见并限期整改,检查及整改结果应登记归档。
器材损坏、丢失赔偿办法
仪器设备要妥善保管,爱护使用,如发生损坏和丢失,应认真查清原因和责任。由于使用人违章操作或保管人玩忽职守等人为原因造成损失、丢失的,应责令赔偿经济损失,并视情节轻重给予当事人批评教育,直至行政处分。
赔偿范围
1、不按制度又未经同意擅自动用或拆卸仪器设备,造成损失或丢失;
2、有条件但未采取有效的防盗、安全措施,造成仪器设备的损坏和丢失;
3、不听从指挥,违反操作规程及有关规定,造成仪器设备损失:
4、尚未掌握操作技术或了解性能及使用方法,轻率动用仪器、设备造成损失;
5、将仪器设备挪作私用造成损坏和丢失;
6、擅自出借仪器设备造成损坏和丢失;
7、工作失职、不负责任,如指导教师指导错误或不及时,保管人员保管不当,领发不按规定手续办理等,造成损失;
8、其它由于不遵守规章制度等主观原因造成损失。
二、赔偿办法
1、丢失和损坏不能修复的,按原价或市价的10%一40%计算赔偿金额:凡属两用物品造成丢失的,原则上按原价全部赔偿;
2、损坏丢失零配件的,只计算零配件损失价值;
3、局部损坏可修复的,只计算修理费。
实验室低值品管理制度
一、低值品
指不够固定资产标准、单价在500元以下又不属于材料范围的、耐用期在一年以上的工具设备,如低值仪器仪表、工具和量具等。 (详见《sm调教
材料、低值品、易耗品管理办法之附录二》)。
二、低值品的添置
执行《sm调教
材料、低值品、易耗品管理办法》第三至第五项规定。教学实验所需的低值品,须由各实验室申报年度计划,经学院中心实验室主任审批。
三、低值品建账
执行《sm调教
材料、低倌品、易耗品管理办法》第七、第八项规定。
四、低值品使用和保管
1、面向教学实验的实验工具及仪表,各实验室要采取行之有效的措施,防止因管理不善,造成损坏和丢失。
2、实验室技术人员是责任保管人,有权对各类仪表、工具按规定进行管理。
3、由于实验指导教师或实验室人员,工作不负责任,而造成工具丢失,当事人有责任追回,实验室负责人应对当事人提出批评,并由当事人填写遗失报告,实验室负责人提出处理意见报院。并按学校有关规定处理。
五、个人工具管理
个人保管的工具,使用人应当妥善保管,因工作调动等原因离院,必须办理归还手续。
学生实验守则
一、学生进入实验室做实验必须严格遵守实验室的规章制度,服从授课教师和实验技术人员的指导。
二、实验前必须做好预习,明确实验的目的、内容和步骤,了解仪器设备的操作规程和实验物品的特性。
三、实验课不得迟到、旷课,衣冠不整不得进入实验室,不准把与实验课无关的东西带进实验室。
四、在实验室内不准喧哗、打闹和吸烟,不准乱吐乱丢杂物。
五、实验过程中,应正确操作,认真观察并如实记录,实验结果须经实验指导人员认可。
六、实验时要注意安全,防止发生意外。若发生事故,应及时向实验指导人员报告,并采取相应的措施,减少事故造成的损失。
七、爱护仪器设备,节约用水、用电和实验材料。不许动用与本实验无关的仪器设备及其他物品,不准私自将公物拿出实验室。
八、实验完毕,应做好仪器设备的复位工作以及关闭相关的水源、电闸和气源,清洁实验台面和仪器设备,打扫室内卫生并得到实验指导人员允许后方可离开实验室。
九、对违反实验室规章制度和实验操作规程造成事故和损失的,视其情节对责任者按章处理。
学生实验成绩的考核办法
实验教学是理工科教学的重要环节之一。通过实验教学环节,是学生加深了对理论知识的理解,得到实验技能的基本训练。为保证实验教学的质量,制订实验成绩考核规定如下:
1、实验成绩是课程总成绩的一部分,课程理论考核和实验考核同时合格,才能取得该门课程的学分。
2、实验考核由以下几部分组成:实验理论、实验技能、实验态度。考核方式:实验报告数据处理是否准确,书写是否认真;实验设计与操作是否正确与熟练;有无无故缺课等。由实验指导教师进行综合评定,给出成绩。
3、学生理论和实验成绩均在60分以上,才能取得该门课程学分,理论考核和实验考核综合后的成绩记为该门课程的总成绩。综合的比例按两部分学分的比例确定。
4、实验成绩不合格者,根据教学安排,在规定的时间内进行重修。
主要教学试验内容
材料力学试验
试验一:实验设备的性能及应用
材料力学实验中,一般都要给试件(或模型)施加载荷并测量变形。加载用的机器称为设备,测量变形称为仪器。本章介绍常温、静荷条件下用的主要仪器设备。
§2-1-1 液压式万能试验机
该机为WA系列试验机,能给试件(或模型)施加的最大载荷通常为100KN、300KN、600KN、1000KN和2000KN等多种,能兼作拉伸、压缩、剪切和弯曲等多种试验。试验机主要由加载部分、测力部分、自动绘图器和操作面板共四部分组成。
一、构造原理
1、加载部分
在机器底座上,装有两个固定立柱,它支承着固定横头和工作油缸。开动电动机,带动油泵,将油液从油箱经油管送入工作油缸,从而推动活塞、上横头、活动立柱和活动台上升。若将试件两端装在上下夹头中,因下夹头固定不动,当活动台上升时便使试件发生拉伸变形,承受拉力。若把试件放在活动台上,当活动台上升时,就使试件与上垫板接触而被压缩,承受压力。一般试验机在输油管路中都装有进油阀门和回油阀门。实验时进油阀门用来控制进入工作油缸中的油量,以便调节试件变形速度。回油阀门打开时,则可将工作油缸中的油液泄回油箱,活动台由于自重而下落,回到原始位置。
若拉伸的长度不同,可用电机转动底座中的蜗轮,使螺柱上下移动,调节下夹头的位置。注意当试件已夹紧或受力后,不能再开电动机。否则,就要造成下夹头对试件加载,以致损伤机件,烧毁电机。
2、测力部分
加载时,油缸中油液推动活塞的力与试件所受的力随时处于平衡状态。如用油管将工作油缸和测力油缸联能,油缸内油压传到测力油缸并推动测力活塞向下。通过拉杆使摆绕支点转动而抬起,同时摆上的推动水平齿杆,使齿轮和指针旋转。指针旋转的角度与油压,亦即与试件上所加荷载成正比,因此在测力度盘上,便读出试件受力的大小。
如果增加或减少摆锤的质量,当指针旋转同一角度时,所需的油压也就不同。即指针在同一位置所指示出的载荷大小与摆锤重量有关。一般试机可以更换三种锤重,测力度盘上也相应地有三种刻度,分别表示三种测力范围。例如300KN万能机有0~60KN、0~150KN和0~300KN三种刻度。实验时,要根据试件所需载荷的大小,选择合适的测力度盘,并在摆杆上放置相适应重量的摆锤。
加载前,测力针应指在度盘上的“零”点,否则必须加以调整。调整时,先开动电动机(1),将活动台升起0.5~1.0厘米左右,然后移动摆杆上的平衡锤,使摆杆保持铅直位置。转动水平齿杆使指针对准“零”点。为何要先升起活动台才调整零点的原因,是由于上横头、活动立柱和活动台等有较大的重量,要有一定的油压先将它们升起。这部分油压并未用来给试件加载,不应反映到试件荷载的读数中去。
在试验机上,连有一套附属装置,可以在实验过程中,自动地画出试件所受载荷与变形之间的关系曲线。这种装置称为自动绘图器。不过它绘出的图形只能作定性的示范,不能当作定量分析的资料。
二、操作规程
1、检查机器:检查试件夹头形式和尺寸是否与试件相配合;各保险开关是否有效;自动绘图器是否正常;进油阀与回油阀是否关紧。
2、选择度盘:估计试件所需要的最大载荷,选择适当的测力度盘。配置相应的摆锤,调节好回油缓冲器。
3、指针调零:合电闸,开动油泵电动机,检查机器运转是否正常。关紧回油阀,开进油阀,缓慢进油。当活动台上升少许后(约1cm),便关闭进油阀。移动平衡锤使摆杆保持垂直。然后调整指针指零,停机。
4、安装试件:做压缩试验时必须保持试件中心受力,将试件放在下夹板的中心位置。安装拉伸试件时,须开动下夹头的升降电动机,调整下夹头位置,夹头应夹住试件全部头部。
注意事项: 试件夹紧后,不得再开动下夹头升降电机,否则要烧坏电机。
5、安装仪器
6、进行试验 开动油泵电动,操纵进油阀。注视测力度盘,慢速加载。操纵机器必须专人负责,坚守岗位,如发生机器声音异常,立即停机。
7、还原工作 试验完毕,先停车,取下试件。缓慢回油,将活动台回到初始位置,将一切机构复原,并清整机器。
试验二:低碳钢拉伸试验
一、目的
测定低碳钢的屈服极限σs、强度极限σb、延伸率δ和断面收缩率ψ;
观察拉伸过程中的各种现象(屈服、强化、颈缩、断裂特征等),并绘制拉伸图(P-ΔL曲线);
比较塑性材料和脆性材料力学性质特点。
原理
用试验机的自动绘图绘出低碳钢和铸铁的拉伸图(如图13)。对于低碳钢试件,在比例极限内,力与变形成线性关系,拉伸图上是一段直线(试件开始受力时,头部在夹头内有一点点滑动,故拉伸图最初一段是曲线)。
低碳钢的屈服阶段在试验机上表现为测力指针来回摆动,而拉伸图上则绘出一段锯齿形线,出现上下两个屈服荷载。对应于B′点的为上屈服荷载。上屈服荷载受试件变形速度和表面加工的影响,而下屈服荷载则比较稳定,所以工程上均以下屈服荷载作为计算材料的屈服极限。屈服极限是材料力学性能的一个重要指标,确定Ps时,须缓慢而均匀地使试件变形,仔细观察。

试件拉伸达到最大荷载Pb以前,在标距范围内的变形是均匀分布的。从最大载荷开始产生局部伸长的颈缩现象;这时截面急剧减小,继续拉伸所需的载荷也减小了。试验时应把测力指针的副针(从动针)与主动针重合,一旦达到最大荷载时,主动针后退,而副针则停在载荷最大的刻度上,副针指示的读数为最大载荷。
铸铁试件在变形极小时,就达到最大载荷,而突然发生断裂。没有屈服和颈缩现象。三、仪器设备
液压式万能试验机、划线器、游标卡尺。
试件
试件一般制成圆形或矩形截面,圆形截面形状如图21所示,试件中段用于测量拉伸变形,此段的长度L0称为“标距”。两端较粗部分是头部,为装入试验机夹头内部分,试件头部形状视试验机夹头要求而定,可制成圆柱形(图21a)、阶梯形(图21b)、螺纹形(图21c)。

图21
试验表明,试件的尺寸和形状对试验结果会有影响。为了避免这种影响,便于各种材料力学性能的数值互相比较,所以对试件的尺寸和形状国家都有统一规定,即所谓“标准试件”,其形状尺寸的详细规定参阅国家标准《金属拉力试检法》GB228-76。标准试件的直径为d0,则标距L0=10d0或L0=5d0,d0一般取10mm或20mm。矩形截面试件标距L与横截面面积A的比例为
五、低碳钢的拉伸试验步骤
1、测量试件尺寸
用游标卡尺在试件标距长度L0范围内,测量两端及中间等三处截面的直径d0 ,在每一处截面垂直交叉各测量一次,三处共需测量六次。取三处中最小一处之平均直径d0作为计算截面面积A0之用(要求测量精度精确到0.02mm)。
在试件的标距长度内,用划线器划出100mm的两根端线作为试件的原长L0
2、选择度盘:根据试件截面尺寸估算最大荷载(Pmax=A0×σb),并选择合适的测力度盘。配置好相应的砣(摆锤),调节好相应回油缓冲器的刻度。
3、指针调零:打开电源,按下(绿色) 油泵启动按钮,关闭回油阀(手感关好即可,不用拧得太紧),打开送油阀(开始时工作油缸里可能没有液压油,需要开大一些油量,以便压力油快速进入工作油缸,使活动台加速上升)。当活动台上升5~10mm左右,便关闭送油阀(如果活动台已在升起的合适位置时,则不必先打开送油阀,仅将送油阀关好即可;如果活动台升得过高,试件无法装夹,则需打开回油阀,将活动台降到合适的位置并关好即可)。移动平衡锤使摆杆保持铅垂(铅垂的标准是摆杆右侧面和标示牌的刻画线对齐重合)。然后轻轻地旋转螺杆使主动针对准度盘上的零点,并轻轻按下测力度盘中间的从动针拨钩拨动从动针与主动针靠拢,并使从动针靠在主动针的右面。同时调整好自动绘图器,装好纸和笔并打下。
4、安装试件:
先将试件安装在试验机上夹头内,再开动下夹头升降电机(或转动下夹头升降手轮)使其达到适当的位置,然后把试件下端夹紧,夹头应夹住试件全部头部。
5、检查:
先请指导教师检查以上步骤完成情况,并经准许后方可进行下步实验。
6、进行试验:
用慢速加载(一般送油阀顺手转2~3下,即1圈左右),缓慢均匀地使试件产生变形。当指针转动较快时,关小一些进油量,指针转动较慢时,增大一些进油量。
7、在试件受拉的过程中注意观察测力指针的转动和自动绘图器上的P—△L曲线的轨迹。当测力指针倒退时(有时表现为指针来回摆动,说明材料已进入屈服阶段,注意观察屈服现象,此时不要增加油量也不要减少油量,让材料慢慢屈服,并抓住时机,记录屈服时的最小载荷Ps(下屈服点),也就是指针来回摆动时的最小值。
8、当主动针开始带动从动针往前走,说明材料已过屈服阶段,并进入强化阶段。这时可以适当的再增大一些进油量,即用快一点的速度加载。在载荷未达到强度极限之前把载荷全部卸掉,重新加载以观察冷作硬化现象,继续加载直至试件断裂。在试件断裂前,注意指针移动,当主动针往回走,此时材料已进入颈缩阶段,注意观察试件颈缩现象,这时可以适当地减少一些进油量。当听到断裂声时,立即关闭送油阀,并记录从动针指示的最大载荷Pb 。
9、结束工作
取下试件,将试件重新对接好。用游标卡尺测量断后标距长L1(即断后的两个标记刻画线之间的距离)。和断口处的直径d1。(在断口处两个互相垂直方向各测量一次),最后观察断口形状和自动绘图器上的拉伸曲线图是否与理论相符。
注意事项:
(1)试件夹紧后,不得再开动下夹头的升降电机。否则要烧坏电机。
(2)开始加载要缓慢,防止油门开得过大,引起载荷冲击突然增加,造成事故。
(3)进行试验时,必须专人负责,坚守岗位,如发生机器声音异常,立即停机。
(4)试验结束后,切记关闭送油阀,打开回油阀。
六、铸铁的拉伸试验
试验步骤与低碳钢基本相同,但拉伸图没有明显的四个阶段,只有破坏荷载Pb,而且数值较小,变形也不大。因此加载时速度一定要慢,送油阀不要开得过大,断裂前没有任何预兆,突然断裂,是典型的脆性材料。最后观察断口形状和自动绘图器上的拉伸曲线图是否与理论相符。其断口形状与低碳钢有何不同。
请教师检查试验记录。
七、数据处理
根据材料的屈服载荷Ps和最大载荷Pb,计算屈服极限σs和强度极限σb;
根据试件试验前后标距长度及断面面积计算:
八、思考题
1、从试件的破坏断口及其拉伸图上,反应了两种材料的哪些异同?为什么将低碳钢的极限应力σjx定为σs,而将铸铁的定为σb?
2、为何在拉伸试验中必须采用标准试件或比例试件?材料和直径相同而长短不同的试件延伸率是否相同?
建筑结构试验
试验三 钢筋混凝土简支梁及裂缝观测试验
一、试验目的:
1、通过对钢筋混凝土简支梁的强度、刚度及抗裂度的试验测定,进一步掌握钢筋混凝土受弯构建试验的过程;
2、学会用表面裂缝宽度观测仪测读裂缝宽度;
3、进一步学习常用仪器仪表的选用原则和使用方法;
4、掌握试验量测数据的整理、分析和表达方法。
二、试件、试验设备及仪器
1、试件为一普通钢筋混凝土简支梁,截面尺寸及配筋见图4—1所示。

混凝土标号:C20
配筋:A3,2Ф10
2、加载设备:机械式螺旋千斤顶;
3、静态电阻应变仪(YE2538);
4、百分表、倾角仪及表架;
5、拉压力传感器;
6、裂缝观测仪(PTS-C10)、钢卷尺及其他工具等。
三、试验原理
为研究钢筋混凝土梁的工作性能,主要测定其强度安全度、抗裂度及各级荷载下的挠度和裂缝开展情况,另外就是测量控制区段的应变大小和变化,找出刚度随外荷变化的规律。
梁的试验荷载一般较大,多点加载常采用同步液压加载方法。构件试验荷载的布置应符合设计的规定,当不相符时,应采用等效荷载的原则进行代换,使构件在试验荷载下产生的内力图与设计的内力图相近似,主要使两者在最大受力部位的内力值相等。
试验梁一般采用分级加载,在标准荷载以前分5级。作用在试件上的试验设备重量及试件自重等,应作为第一级荷载的一部分。
裂缝的发生和发展用眼睛观察,裂缝的宽度用裂缝观测仪测量,在标准荷载下的最大裂缝宽度测量应包括正截面裂缝和斜截面裂缝。正截面裂缝宽度应取受拉钢筋处的最大裂缝宽度(包括底面和侧面),测量斜裂缝时,应取斜裂缝最大处测量。每级荷载下的裂缝发展情况应按试验的进行在构件上绘出,并注明荷载级别和相应的裂缝宽度值。
为准确测定发裂荷载值,试验过程中应注意观察第一条裂缝的出现。在此之前应把荷载级取为标准荷载Pb的5%。
当试件接近破坏时,注意观察试件的破坏特征并确定出破坏荷载值。
依据《钢筋混凝土预制构件质量检验评定标准》规定:当发现下列情况之一时,即认为该构件已经达到破坏,,并以此时的荷载作为试件的破坏荷载值。
1、正截面强度破坏:
①受压区混凝土破损;
②纵向受拉钢筋被拉断;
③纵向受拉钢筋达到或超过屈服强度后致使构件挠度达到跨度的1/50;或构件纵向受拉钢筋处的最大裂缝宽度达到1.5mm。
2、斜截面强度破坏:①受压区混凝土剪压或斜拉破坏;
②箍筋达到或超过屈服强度后致使斜裂缝宽度达到1.5mm。
③混凝土斜压破坏。
3、受力筋在端部滑脱或其他锚固破坏。
确定试件的实际发裂荷载和破坏荷载时,应包括试件自重和作用在试件上的垫板,分配梁等加荷设备重量。

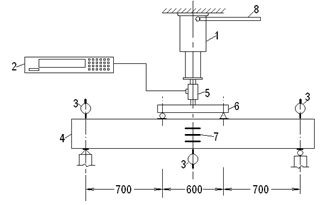
图4—2 梁试验装置和测点布置
本试验的具体方案如下:
试验方案和测点布置如图4—2所示。图中:1—手动机械式螺旋千斤顶;2—应变仪(YE2538);3—挠度计或百分表;4—试件;5—拉压力传感器;6—分配梁;7—应变片;8—千斤顶摇柄。
两点加荷,纯弯区段混凝土表面设置电阻应变片测点,
每侧三片。另外梁内受拉主筋上布置有电阻应变片两点。
挠度测点三个:跨中一点;支座沉降点两个。
图4—3 钢筋混凝土梁裂缝展开图
四、试验步骤:
1、按标准荷载Pb的20%分级算出加载值。自重和分配梁等作为初级荷载计入。
2、按“电阻应变片粘贴技术”要求贴好应变片,做好防潮防水处理,引出导线。装好挠度计或百分表。
3、进行1~3级预载试验,测取读数,
观察试件、装置和仪表工作是否正常并及时排除。
五、试验结果分析:
1、将实测的发裂荷载,破坏荷载与计算值和进行比较,并分析其产生差异的原因。
2、根据实测得到的M~曲线与理论值进行比较,并分析其差异的原因。
3、对梁的破坏形态和特征作出评定。
附录2 PTS-C10型表面裂缝宽度观测仪使用说明
裂缝测宽:将测量头的两尖脚紧靠裂缝,即可在LCD显示屏上看到被放大的裂缝,微调测量头的位置使裂缝与显示屏刻度基线垂直,根据裂缝所占刻度线的多少判读裂缝的宽度。

仪器校验:校验时将测量头的两尖脚对准校验刻度板上下边缘的两条基准线,在屏幕上即可看到标准刻度的2mm刻度线。调整测量头的位置,使放大后标准2mm刻度的图像与屏幕上2mm刻度线重合,若误差不超过0.02mm,则说明仪器放大倍数属正常范围,可以正常使用。
试验四 简支钢桁架非破坏试验
一、试验目的:
1、进一步学习和掌握几种常用仪器仪表的性能、安装和使用方法;
2、通过对桁架节点位移、杆件内力、支座处上弦杆转角的测量对桁架结构的工作性能做出分析,并验证理论计算的准确性。
二、试件、试验设备及仪器
1、试件为一钢桁架,跨度为4.2m,上下弦及腹杆采用等边角钢2∠50×4,节点板厚δ=4mm,单根截面积=0.3897cm2,测点布置见图5—1所示。

2、试验加载设备:机械式螺旋千斤顶,静态电阻应变仪(YE2538),百分表,倾角仪及表架,拉压力传感器,钢卷尺及其他工具等。试验装置图见图5—2所示。

三、试验方案:
桁架试验一般多采用垂直加荷方式,由于桁架出平面刚度较弱,安装时必须采用专门措施,设置侧向支撑,以保证桁架上弦的侧向稳定,侧向支撑点的位置应根据设计要求确定,支撑点的间距不大于上弦出平面的设计计算长度。同时侧向支撑应不妨碍桁架在其平面内的位移。
桁架试验时支座的构造可以采用梁试验的支撑方法,支撑中心线的位置需准确,其偏差对桁架端节点的局部受力影响较大,故应严格控制。如果是三角形屋架,受荷后,下弦伸长较多,滚动支座的水平位移往往较大,因此支座垫板应有足够的尺寸。
桁架试验加荷方法可采用实物加荷(如用屋面板等,多用于现场鉴定性试验),也可采用吊篮加荷(多用于组合屋架或木屋架试验),但一般多采用同步液压系统加荷,试验时应使桁架受力稳定、对称,防止出平面失稳破坏,同时,还要充分估计液压系统中液压缸(或千斤顶)的有效行程,防止因行程不足而影响试验的进行。
桁架的加载形式当不能与设计要求相符时,亦可采用等效荷载代换,但应验算,使主要受力构件或部位的内力接近设计情况。还应注意荷载改变后或能引起的局部影响,防止产生局部破坏。
观测项目一般有强度、挠度和杆件内力等。测量挠度,可采用挠度计或精密水准仪,测点一般布置于下弦节点。为测量支座沉降,在桁架两支座的中心线上应安装垂直方向的位移计。另外还需在下弦两端安装两个水平方向的位移计,以测量在载荷作用下固定支座和滚动支座的水平位移值。杆件内力测量,可用电阻应变片或接触式应变计,其安装位置随杆件受力条件和测量要求而定。
荷载分级可参照梁的试验。
桁架试验由于荷载点高,加荷过程中要特别注意安全,做破坏试验时,应根据预先估计的可能破坏情况设置防护支撑,以防损坏仪器设备和造成人身事故。
本试验采用缩小比例尺寸的钢桁架作非破坏试验,以达到学习的目的。其试验装置如图5—2所示,采用中点加载,用手动机械式螺旋千斤顶施加,用拉压力传感器控制荷载值,由静态电阻应变仪显示。杆件应变测 量点均设置在每一杆件的中间区段,电阻应变片或杠杆式引伸仪均装在截
面的重心连线上。见图5—3。
在水平杆AB的支座处装倾角仪,测量在各级荷载下的转角变化。
挠度测点均布置在桁架下弦节点上,同时支座处还应装置百分表测量支座沉降值及侧移值。
为保证整体稳定,试验桁架的平面外均设置有水平辅助桁架,确保稳定。
四、试验步骤:
1、检查试件和试验装置,装上仪表。电阻应变片已经预先贴好,只需检查阻值和接线测量。
2、加4000N荷载,作预载试验,测取读数,检查装置,试件和仪表工作是否正常,然后卸载,把发现的问题及时排除。
3、仪表重新调零,记取初读数,做好记录和描绘试验曲线的准备。
4、正式试验。采用5级加载,每级2000N,每级停歇时间5分钟,停歇的中间时间读数。
5、满载为10000N,满载后分两级卸载,并记录读数。
6、正式试验重复两次。
五、试验结果的整理、分析和试验报告:
1、原始资料:
(1)桁架各杆件内力见图。

图5—4 试验桁架内力图
(2)桁架下弦H节点的理论挠度值及AF杆的理论转角值。
式中 :A—实测杆件的截面面积;
E—实测杆件材料的弹性模量。
2、桁架下弦H节点的荷载—挠度分析
(1)绘出各级荷载下桁架整体变形图。
(2)比较各级荷载条件下H点的实测值与理论值的差异并分析其原因。结果填入表5—1。
(3)分别绘出各级荷载下弦H点的P—试验曲线和理论曲线。
3、桁架上弦AF端杆的转角分析
(1)比较各级荷载下AF端杆实测值与理论值的差异并分析其原因。
(2)绘出上弦AF端杆的曲线。
仪器操作规程
MTS电液伺服系统操作规程
1.检查蓄油箱里的液压油是否达到指定位置,如已达到则接通油站的电源,反之先加满油再接通电源;
2. 开启UPS稳压电源,再开启电脑,接通MTS Flex GT电源;
3. 检查紧急制动按钮是否提起,如按钮没提起,则一定要把按钮提起,否则无法测试;
4. 打开MTS测试软件,然后按照需要进行参数设置;
5. 参数设置完后,开启液压站,进行加载试验;
6. 如油温超过40℃,启动冷却塔,对液压油进行冷却;
7. 试验采集完毕后,先卸油压,再关闭油泵;
8. 退出系统软件,再关闭MTS Flex GT,然后按顺序关闭油站,冷却塔电源,关闭电脑,最后关闭UPS。
注意事项
1. 紧急制动开关要放于控制台旁边。
2. 开启液压站时,必须从低压到高压开启;卸油压时必须从高压到低压卸压。
3. 为了保证采集的数据的精确度,开启MTS Flex GT到测试之间一定要间隔一段时间。
MTS 电液伺服加载系统主要性能指标
1. 静音油源,变量泵节能设计,噪音63分贝,标定流量100LPM,系统运行时的最大压力为21MPa,输入电压为380VAC,50HZ,控制电压为24VDC。
2. MTS Model 493.10chassis控制系统总线支持8个控制通道,4 个独立测试站,6通道高电平数采板,共18通道。
3. 500KN作动器二台,位移行程为500mm(+/-250mm),额定拉力为291KN,额定压力为496KN。
4. 250KN作动器二台,位移行程为500mm(+/-250mm),额定拉力为240KN,额定压力为365KN。
5. 150KN作动器一台,移行程为500mm(+/-250mm),额定拉力为100KN,额定压力为1500KN。

YE-5000KN四柱压力试验机操作规程
1、将试件放在下工作台或弯曲试台上。
2、将下工作台或弯曲试台推倒试验机内并对准中心。
3、根据试件所需测定范围,在摆杆上挂上相应摆陀。
4、开动油泵及开放送油阀,使下工作台或弯曲试台的轮子脱离轨道约10毫米以上。
5、将度盘指针调到零点位置。
6、关闭油泵及送油阀。
7、开动横梁电机使上工作台下降至试件附近。
8、按试件要求所需速度,轻轻开放送油阀,使工作活塞上升向试件加荷,待达到试验目的后送油阀关闭。
9、记录下付指针在度量盘上所示的最大载荷数值。
10、开放回油阀降下下工作台取出试件。
11、载荷保持器的使用方法:
在做长时间稳定荷载时,为了使载荷保持准确及稳定应选用与载荷范围相符的拉力弹簧挂在载荷保持器上,将连杆挂在测力活塞的蜗杆内端小偏心轮上,开放油阀右侧的分油手轮(它能使油泵中五个活塞的送油量无负荷的返回油箱,这样可使长期稳定负荷中温度不会上升过高。所以在作慢速及1000KN以下一般试验时,把它放开也是对试验机长期使用有好处的)。轻开送油阀加荷手轮,使试件稍手稳定载荷的一部分载荷,再轻轻开放送油阀右侧的小手轮待从指示玻璃内看到油液像细杆状流出后即可,再注视指针所指的载荷数值,当载荷停留不动而尚未达到所要求的载荷数值时,则转动载荷保持器的手轮,使弹簧拉紧,则指针向前走动,逐渐达到所要求的稳定载荷数值时,应停止手轮的转动如指针又停留不动而未达到所要求的载荷数值时,则小心的再转动手轮使指针达到要求的载荷数值,在注视一段时间看指针是否有前进后退现象,如有时稍加调整,则试验机就能在所要求的稳定时间内保持载荷稳定不变,当稳定载荷试验完了应将拉力弹簧送为原处,并将小手轮拧死,前述连杆亦应摘回原处。
QWG400疲劳试验机的操作规程
打开计算机电源运行疲劳试验程序,打开控制柜电源,预热10-30分钟。
调节试验空间,装夹好试样。设置试验参数及其它相关参数。施加静负荷。启动动负荷按钮,试验开始设置保护试验自动结束后,卸试样关闭控制箱电源,再关闭计算机。使用及维护
如果用户电网电压波动较大,应加接交流稳压电源,否则轻者设备工作不稳定,重者将造成的损坏,尤其是夜间工作,电压上升更应严密注意。

本机要求在洁净、干燥、无强电磁干扰的场合下工作。本机已综合采用各种抗干扰措施,在较强干扰环境下亦可正常工作,但由于本机精度很高,稳定性指标较高,若电磁干扰过强,有时仍会使交变负荷显示数字产生一定的跳动,若跳动超过允许范围,应更换试验场地或采用性能良好的隔离电源供电。
夏季使用设备时,尤其在南方,室温高达30℃以上,建议室内设置空调设备。否则当动负荷较大且长时连续工作时,电控箱及计算机内部温升过高,将影响试验精度及甚至使设备不能安全工作。梅雨季节,应注意防潮!
该机属精密测试设备,由经过培训的专门人员负责使用和维修,切忌没有经验的人员乱拆、乱调、乱用,这也是使设备长期维持较高精度和长期正常运转的必备条件。
由于该机是基于机械共振的原理工作的,因此不可避免地产生较强的噪音,为避免噪音对操作人员及周围人员的影响,建议使用单位为本机设置隔音间,或是简易的隔音间。